ホーム > くらし・環境 > 消防・くらし安全 > 火薬・猟銃等・ガス保安・石油コンビナート > 高圧ガス保安法関係 > 冷凍設備
更新日:2026年1月5日
ここから本文です。
詳細は,県庁消防保安課保安係(電話099-286-2262)までお問い合わせください。
申請書等の提出部数は原則として2部です。受付後、受付印を押印して1部(副本)をお返しします。
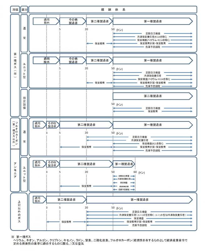
冷凍設備を設置しようとする際は,1日の冷凍能力(法定冷凍能力)に応じた手続が必要です。

(例)高圧ガス製造計画書・技術上の基準(WORD:278KB)
高圧ガス製造施設等変更許可申請書の添付書類(WORD:34KB)
(例)高圧ガス製造施設等変更明細書・技術上の基準(WORD:280KB)
(例)高圧ガス製造施設等明細書・技術上の基準(WORD:116KB)
よくあるご質問
このページに関するお問い合わせ
より良いウェブサイトにするためにみなさまのご意見をお聞かせください